Лебёдка электрическая 12V Runva 4500 lbs 2040 кг (синтетический трос)
0р.
Лебёдка электрическая 12V Runva 4500 lbs 2040 кг (синтетический трос)
Краткое описание
Runva – одна из крупнейших в Китае компаний по производству всех типов лебедок, которая самостоятельно занимается научными исследованиями, конструкторскими разработками и имеет для этих целей все необходимое оборудование. Она одной из первых начала производство автомобильных лебедок в Китае и является поставщиком китайской армии.
Основные характеристики
- Арт. EWX4500USR
- Тяговое усилие, фунты 4500
- Тип Электрическая
- Напряжение питания, В 12
- Передаточное отношение 172:1
- Производитель Runva
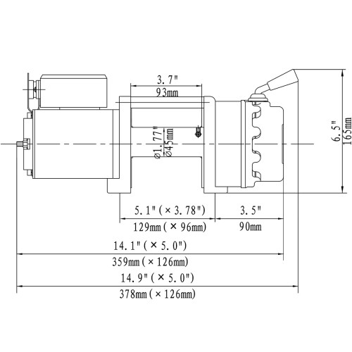
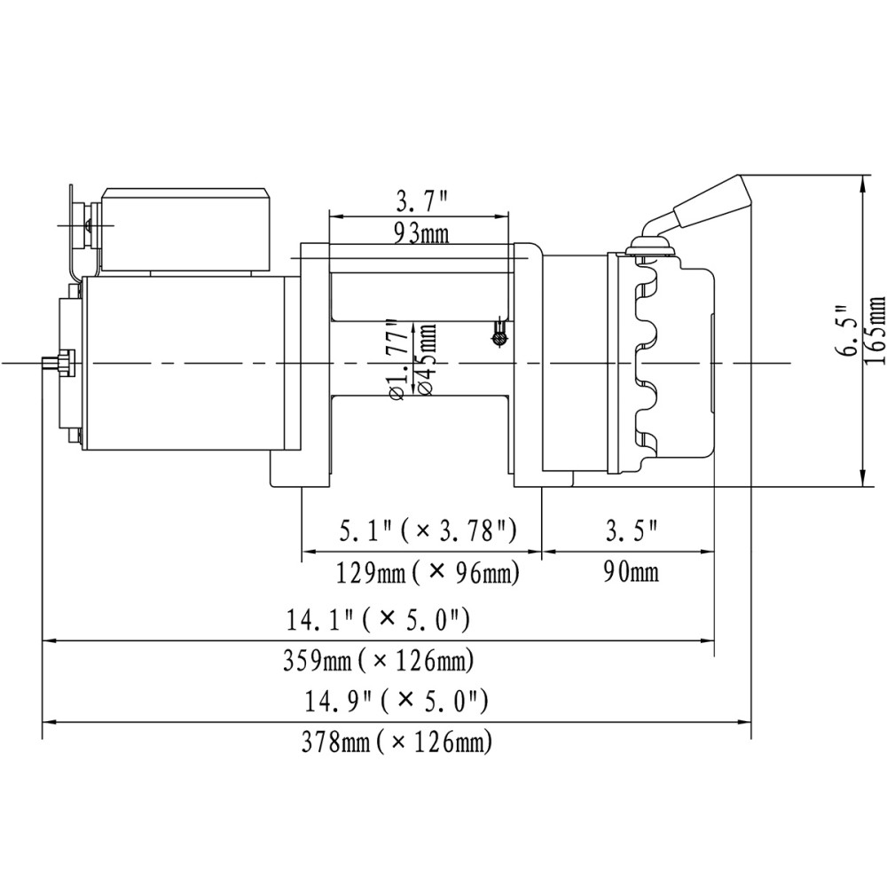
- Размеры (Д х Ш х В) мм 378x126x165
- Вес нетто (кг) 13,0
- Трос: синтетика, длина 15 м, диаметр 6 мм
- Монтажный размер: 129х96 мм
| Нагрузка, кг,lbs | Скорость намотки (м/мин) | Потребляемый ток (А) |
| 0 | 3.6 | 20 |
| 227 (1500) | 2.8 | 70 |
| 680 (2500) | 2.4 | 100 |
| 907 (3500) | 2.0 | 140 |
| 2041 (4500) | 1.5 | 200 |
Выберите обязательные опции

