Runva EWD8000U является самой младшей моделью в линейке двухскоростных лебедок и имеет мотор с мощностью всего 4.6 л.с. Основной отличительной особенностью этих моделей является двухступенчатый редуктор с передаточными числами 267:1 и 86:1 соответственно. Фактически, она объединяет в себе функционал двух лебедок: мощной с хорошей тяговой способностью и скоростной и легкой. Переключение между режимами легко и просто осуществляется с помощью удобного переключателя расположенного на корпусе лебедки. Скоростную передачу имеет смысл использовать на смотке или размотке троса в холостом режиме, и тех случаях, когда автомобилю нужно всего лишь немного помочь. Вторую (медленную) передачу рационально применять для лебежений в условиях тяжелого бездорожья, когда скорость винчевания отходит на второй план и важно как раз мощное тяговое усилие. Фактически это две принципиально разные по характеру лебедки в одном компактном корпусе, что очень удобно как на соревнованиях, так и в обычной эксплуатации. Никогда еще работа с лебедкой не была такой удобной и эффективной.
Благодаря наличию в конструкции сальников, лебедка Runva EWD8000U является абсолютно водонепроницаемой. Влагозащита лебедки - на уровне лебедок серии EWB.
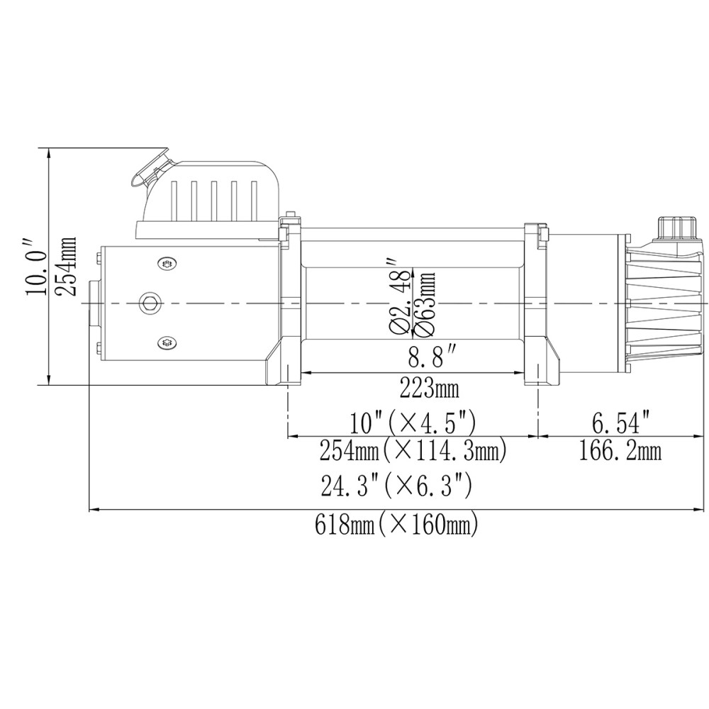
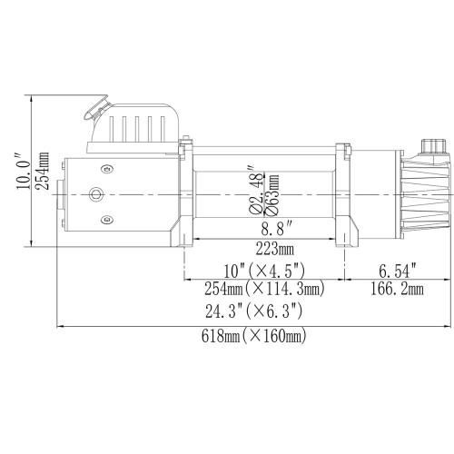
Технические характеристики
- Тяговое усилие: 8000 lbs (3629 кг)
- Мотор: 3.4 кВт/ 4.6 л.с.
- Передаточное число редуктора:
- 267:1(малая скорость); 86:1(Высокая скорость)
- Трос: сталь, Ø 8.3 мм длина 29 м
- Размеры барабана: Ø 63 мм ширина 223 мм
- Посадочные размеры: 254 мм×114.3мм (4-M10)
- Внешние размеры: 619 мм ×160 мм ×254 мм
- Вес: 35 кг
Тяговое усилие, распределение по слоям троса на барабане
| Слой троса на барабане | Тяговое усилие, lbs/кг |
| 1 | 8000(3629) |
| 2 | 6529(2962) |
| 3 | 5515(2502) |
| 4 | 4773(2165) |
Гарантийные условия:
Гарантия не распространяется на мотор, трос и ролики (клюз) лебедки

