Кастор плата РИФ УАЗ Хантер/Патриот
0р.
Кастор плата РИФ УАЗ Хантер/Патриот
Краткое описание
При лифтовке подвески автомобиля с полностью зависимой подвеской изменяется продольный угол наклона шкворня моста из-за установки более длинных пружин. При лифтовке на 5-8 см для устранения этого негативного последствия (оно ухудшает управляемость и курсовую устойчивость внедорожника) установливают сайлент-блоки со смещенным отвестием под болт рычага. Такие сайлент-блоки возвращают угол наклона шкворня к заводским параметрам.
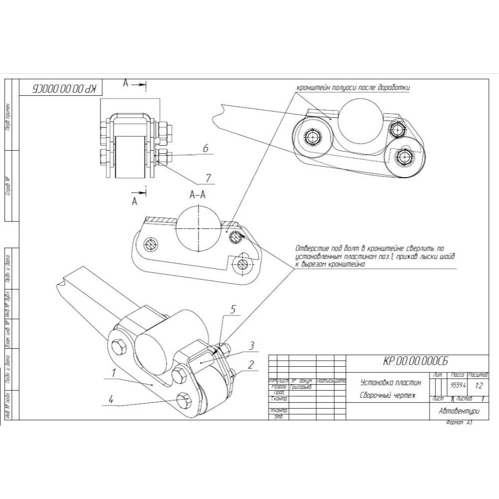
Другой вариант – установить кастор-платы. У кастор-плат такое же назначение, что и у кастор-китов, с той лишь разницей, что производители лифт-комплектов рекомендуют к установке кастор-платы при больших лифтах подвески – 10 и 15 см, когда уже не хватает возможностей эксцентриковых сайлент-блоков (та же проблема – такой сайлент-блок уже невозможно изготовить). Кастор-платы ставятся между рычагом и мостом, изменяя таким образом положение моста, а соответственно и угол наклона шкворня.
В случае с УАЗом мы предлагаем кастор-платы, сделанные под лифт 5-8 см. Установка кастор-плат требует слесарных работ с применением отрезной машинки – приходится срезать часть стандартного кронштейна крепления рычага к мосту – и сварочного аппарата, так как касторплаты для УАЗа необходимо подваривать к кронштейну крепления рычага (на внедорожниках иностранного производства конструкция кронштейна позволяет ставить кастор-платы только на болтовых соединениях). Соответсвенно, после того, как кастор-плата установлена на автомобиль, вернуться к первоначальной конструкции проблематично, поэтому разлифтовывать автомобиль не рекомендуется.
Другой вариант – установить кастор-платы. У кастор-плат такое же назначение, что и у кастор-китов, с той лишь разницей, что производители лифт-комплектов рекомендуют к установке кастор-платы при больших лифтах подвески – 10 и 15 см, когда уже не хватает возможностей эксцентриковых сайлент-блоков (та же проблема – такой сайлент-блок уже невозможно изготовить). Кастор-платы ставятся между рычагом и мостом, изменяя таким образом положение моста, а соответственно и угол наклона шкворня.
В случае с УАЗом мы предлагаем кастор-платы, сделанные под лифт 5-8 см. Установка кастор-плат требует слесарных работ с применением отрезной машинки – приходится срезать часть стандартного кронштейна крепления рычага к мосту – и сварочного аппарата, так как касторплаты для УАЗа необходимо подваривать к кронштейну крепления рычага (на внедорожниках иностранного производства конструкция кронштейна позволяет ставить кастор-платы только на болтовых соединениях). Соответсвенно, после того, как кастор-плата установлена на автомобиль, вернуться к первоначальной конструкции проблематично, поэтому разлифтовывать автомобиль не рекомендуется.
Выберите обязательные опции

